九游(NineGame)娱乐·官方网站-九游更安全的娱乐选择

AT89C2051-九游娱乐-NineGame
852202363@qq.com

九游娱乐-NineGame

 
主页 > 新闻资讯 > 行业资讯

AT89C2051

来源:网络 |最近更新: 2026-03-04

  门铃在中国古代较少听说,有钱的大户人家是在大门上装有装饰性的门环,叫门的人可用门环拍击环下的门钉发出较大的响声,有现代门铃的作用。

  当今,无线门铃与无线门铃报警器比比皆是,但同时按照门铃与报警器还是给家庭带来了些许麻烦。而无线门铃报警器就是将门铃与报警器集于一身。它的体积小,性价比高等特点得到了人们的好评。而现在市场上许多产品的遥控器与接收器件的数据传输都是采用非编码式,因而互相的影响较大,一旦一个院子两户人家同时安装时,就很容易出现错误响应。而基于单片机的无线门铃报警器,将发射器发送的数据进行编码,只有收到与接收机相配套的遥控器发射出的信号时,接收机才会做出反应。从而在降低成本的同时达到了方便实用的目的。

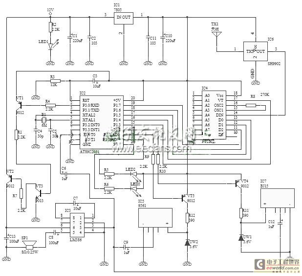
  电路原理图如下图所示,主要由无线接收、数据解码、数据处理、报警电路、音乐电路、功放电路和电源电路组成。整机接收频率315M,数据解码采用市面上用得较多的PT2272专用解码芯片,可靠性及稳定性较好;数据处理的任务由单片机完成,用于区分报警信号、门铃信号,同时接受各种操作指令,完成相应的操作,当接收到报警信号后驱动报警电路,发出响亮的警车报警声,当收到的是门铃信号时,就发出音乐声。

AT89C2051(图1)

  AT89C2051是一带有2K字节闪速可编程可擦除只读存储器(EEPROM)的低电压,高性能8位CMOS微处理器。它采用ATMEL的高密非易失存储技术制造并和工业标准MCS-51指令集和引脚结构兼容。通过在单块芯片上组合通用的CPLI和闪速存储器,ATMEL的AT89C2051是一强劲的微型处理器,它对许多嵌入式控制应用提供一定高度灵活和成本低的解决办法。AT89C2051提供以下标准功能:2K字节闪速存储器,128字节RAM,15根I/O口,两个16位定时器,一个五向量两级中断结构,一个全双工串行口,一个精密模拟比较器以及两种可选 的软件节电工作方式。空闲方停止CPU工作但允许RAM、定时器/计数器、串行工作口和中断系统继续工作。掉电方式保存RAM内容但振荡器停止工作并禁止有其它部件的工作到下一个硬件复位。

  “九游娱乐有哪些推荐的游戏?”

  该报警器的的设计难点主要集中在软件的设计上,在对电路的设计上,我们对于音频发生电路采用了专用音乐集成电路,一定程度上简化的程序开发的难度,这种电路设计方式,当要发出一种声音时,只需控制这部分电路供电即可,音乐电路得电后,产生音频信号,送入功放电路放大后便可发出声音,为了给有兴趣的网友提供改进的机会,我们留了P3.4口作为音频信号的发生器端口,可根据网友自己的实际需要进行相应功能的开发,在本程序中,我们对布防和撤防的响应声设计成软件控制,网友可以熟悉了本机程序后,将门铃的音乐声也用软件来完成,以提高读者的单片机软件编制水平。

  在本设计中,主要用两种值的电压,即输入的12V和供单片机及相关电路工作的5V电压。将输入电压接入后,测量7805输出端电压,正常时应为5V左右,由于7805三端稳压集成电路内部具有过流保护功能,因此若电路制作中有短路等故障时,输出电压变为0,而且三端稳压器件的散热片发热严重,此时应马上断电,否则容易损坏稳压器件。当测得输入电压为12V和三端稳压输出端为5V左右时,说明供电电路工作正常。

  将这部分电路制作完成后,用手捏一螺丝力的金属部分去碰LM386的第3脚,正常时可听到扬声器中发出的吱、吱声。然后再将门铃音乐发生电路和报警声音发生电路焊好,通电后分别将VT4和VT5的集电极和发射极短接一下,可听到两种声音,这此说明音频部分电路工作都正常。

  将无线信号接收电路安装完成后便可进行调试。将发射器的地址编码和接收器的地址编成一致,(编码方式见本站关于PT2262/2272的应用相关介绍),通电后一边测量无线接收模块的信号输出端对地电压值,正常时在没有按遥控器时,所测的电压为随机变化值,且不稳定,当按下遥控器时,输出电压为一个较为稳定的1.2V左右的直流电压,若测得的电压符合上述变化,说明无线接收模块工作正常。完成这步测试后,接下来可测量解码电路的工作情况。用万用表测量2272第17脚对地电压,没有按遥控器时,输出电压为0,当按下遥控器后,输出一个大于4V的有效电压,说明解码电路工作正常。

  经过以上几步调试后,说明系统外围电路都工作正常,只要装上写有程序的单片机,便可以正常工作了。下图是我们制作好后的实物照片,可供网友制作时作为参考,查看元器件是否有错焊。

  ■将焊接好的电路板安装于安装合底板用螺丝固定,留出喇叭线和电源指示灯连接线。

  ■将喇叭安装于盖子喇叭孔处,然后将塑胶用电烙铁熔化后固定喇叭,将两根喇叭线与喇叭上的引线焊牢。

  ■将面板上的电源灯装好,把两根指示灯引线与发光二极管焊牢,注意极性不要焊反,否则灯将不亮。

  ■从电源插座处引出两根电源线,若无法确认插座的电源极性,可以在不焊线时插上开关电源,用万用表测量三个引脚哪两个是电源端,然后拨下插头,从插座上焊出正、负电源线,然后与线路板上的接线端子相接,线路板上有标识,+端接正,另一端接负。

  将红外线人体探测器盖子打开,装入二节5号电池,再将盖子装好,延时一段时间后,只要有人在前面走动,便会发送信号,同时指示灯点亮。将电源插入电源孔,此时电源指示灯点亮,按动遥控器上的开键,此时喇叭嘟、嘟响二声,系统进入布防状态,这时只要有无线人体信号收到,便发出响亮的110警车声,按下遥控器上的关键,可以停止报警,若不按关键,同时没有人体信号发送,则系统自动延时30秒左右后停止报警,若一直有人体信号发送,将一直报警。

  在停止报警状态下,按下关键,喇叭嘟响一声,系统进入撤防状态,此时,就算有无线人体信号发送,也不报警。在空闲状态下,按下无线门铃键,系统便发出音乐声,实现无线门铃功能。

  这款无线报警主机对任何发射频率为315M,编码采用PT2262的无线探头都可适用,如无线人体探测器,无线门磁传感器、无线微波探测器等,由于实际使用的环境不同,所需主机与之相配套的设置也不同,网友可以根据自己的发辉,通过编写不同的软件,从而实现不同的功能。